WUHAN REMCOR TECHNOLOGY CO., LTD.
WUHAN REMCOR TECHNOLOGY CO., LTD.

SA-203/263 3-Achsen-Drehmaschine Merkmale


1. Die Maschinen struktur und das Haupt spindel modul gelten mit dem Meehanite-Gusseisen mit hoher Steifigkeit Rippen design. Die gesamte Struktur wird auf einmal gegossen und behandelt, um den Stress zu beseitigen. So stellen Sie sicher, dass die Präzision für eine lange Zeit Gebrauch

2. hohe Präzision, hohe Effizienz

Die Verarbeitung stole ranz ist ± 0,003mm, die höhere Effizienz, die durch den neuen Controller und Motor angetrieben wird, verkürzen die Bearbeitungs zeit

3. Aus gezeichnete universelle Verarbeitung kapazität

Die aus gezeichneten Schneidwerk zeuge stellen die Verarbeitung leistung sicher und erhöhen die Kunden zufriedenheit

4. Breite Palette der Material verarbeitung

Gut bei der Verarbeitung einer Vielzahl von Materialien, einschl ießlich Edelstahl, Aluminium legierung, Kupfer, Titan legierung, geeignet für Anwendungs szenarien in verschiedenen Bereichen.




Typisches Verarbeitung video von SA-203/263 3 Achsen drehmaschine




SA-203/263 3 Achsen Drehmaschine Parameter Details


Artikel

SA263

SA203

Maximaler Bearbeitungs durchmesser

Φ 26mm

Φ 20mm

Max Kopfstock hub

Standard-Führungs buchse

255mm

255mm

Nicht führungs buchse

2.5D

2.5D

Dreh werkzeug

Menge der Werkzeuge

6pcs

6pcs

Werkzeugs pezifi kationen

□ 12mm

□ 12mm

Gesichts-Werkzeug halter

Menge der Werkzeuge

Frontend-Arbeiten

5 pcs

Heck arbeiten

2 pcs(Max. 5 pcs)

Max. Bohren

Feste Werkzeuge

Φ 10mm

Max. klopfen

Befestigungs werkzeuge

M8 * P 1,25

Kreuz werkzeug einheit

Menge der Werkzeuge

5 pcs

Werkzeugs pezifi kationen

ER16

Maximale Bohrungen

Φ 8mm(ER16)

Maximaler Zapfsatz

M6 * P1.0(ER16

Maximales Fräsen

Φ 10mm

Maximale Fräs schlitze

Breite 1,5, Tiefe 4mm

Spindel drehzahl

ER16

6.000 min-1

Antriebs leistung

1Kw

Schnelle Bewegungs geschwindigkeit

Z1

32 m/min

X1

32 m/min

Y1

32 m/min

Haupt spindel max. Geschwindigkeit

10.000 min-1 (7.000 min-1G.B.)

Haupt-Spindel-Indexierung winkel

C-Achsen steuerung (0,001 °)

Haupt spindel leistung

2,2/3,7 kw

Haupt spindel Durchgangs loch durchmesser

Φ 27mm

Kühlmittel kapazität

170L

Kühlmotor leistung

0,4 kw

Gesamt abmessungen (Länge * Breite * Höhe)

1900*1300*1780mm

Maschinen gewicht

2000kg


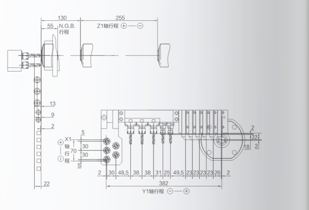
Bearbeitungs hub

Machining_Stroke_01.png 

 





Nehmen Sie jetzt Kontakt mit REMCOR auf!

Zögern Sie nicht, uns anzurufen oder eine Nachricht abzugeben, wenn Sie Fragen haben.

Kontaktieren Sie uns